Aukstuma vitrīna PC2500B
Jaunums
| Izmēri (GxPxA), mm: | 2560x740x2050 |
|---|---|
| El. Jauda, kW / Spriegums, V: | 1,06 / 230 |
| Temperatūras režīms, °C: | -1...+5 |
| El. enerģijas patēriņš, kW / 24st: | 10,2 |
Galvenās īpašības:
Pielietojums:
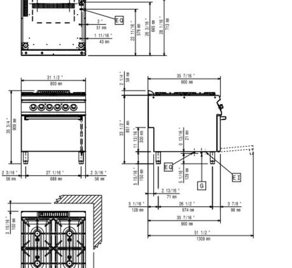
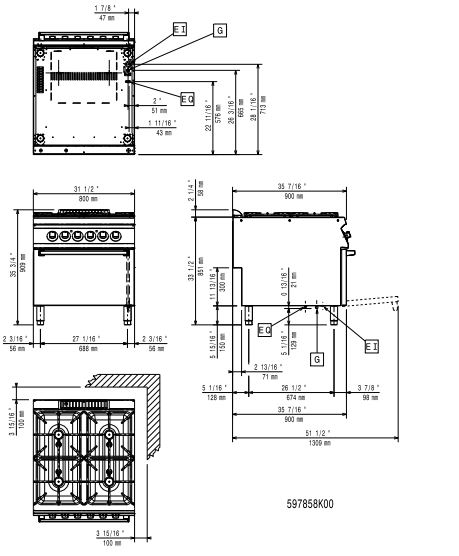
Profesionāla gāzes plīts ar elektrisko cepeškrāsni, paredzēta vārīšanai, cepšanai un citu veidu produktu termiskai apstrādei.
Tehniskās specifikācijas:
Materiāli un kvalitāte:
Priekšrocības:
Šī plīts ar elektrisko cepeškrāsni ir ideāla izvēle restorāniem un kafejnīcām, kur nepieciešama augsta veiktspēja un uzticamība intensīvai ikdienas lietošanai.
| Gabarīti (GxPxA), mm: | 800x900x850 |
|---|---|
| Gāzes jauda, kW: | 28,0 |
| El. jauda, kW: | 6,0 |
| Spriegums, V: | 400 |
| Degļu skaits, gab: | 3x 6 kW, 1x 10 kW |
| Cepeškrāsns gabarīti (GxPxA), mm: | 575x700x300 |
| Darba temperatūra, °C: | 285 |
| Degļa diametrs, mm: | 3x 60, 1x 100 |
| Svars, kg: | 155 |
| Izcelsmes valsts: | Itālija |
| Izmēri (GxPxA), mm: | 2560x740x2050 |
|---|---|
| El. Jauda, kW / Spriegums, V: | 1,06 / 230 |
| Temperatūras režīms, °C: | -1...+5 |
| El. enerģijas patēriņš, kW / 24st: | 10,2 |
| Izmēri (GxPxA), mm: | 2560x740x2050 |
|---|---|
| El. Jauda, kW / Spriegums, V: | 1,06 / 230 |
| Temperatūras režīms, °C: | -1...+5 |
| El. enerģijas patēriņš, kW / 24st: | 10,2 |
| Plauktu skaits, gab: | 10 |
| Ietilpība, L: | 2585 |
| Izmēri (GxPxA), mm: | 1935x740x2050 |
|---|---|
| El. Jauda, kW / Spriegums, V: | 0,98 / 230 |
| Temperatūras režīms, °C: | -1...+5 |
| El. enerģijas patēriņš, kW / 24st: | 8,13 |
| Izmēri (GxPxA), mm: | 1935x740x2050 |
|---|---|
| El. Jauda, kW / Spriegums, V: | 0,98 / 230 |
| Temperatūras režīms, °C: | -1...+5 |
| El. enerģijas patēriņš, kW / 24st: | 8,13 |
| Plauktu skaits, gab: | 5 |
| Ietilpība, L: | 1939 |
| Izmēri (GxPxA), mm: | 1310x740x2050 |
|---|---|
| El. Jauda, kW / Spriegums, V: | 0,55 / 230 |
| Temperatūras režīms, °C: | -1...+5 |
| El. enerģijas patēriņš, kW / 24st: | 5,87 |
| Izmēri (GxPxA), mm: | 1310x740x2050 |
|---|---|
| El. Jauda, kW / Spriegums, V: | 0,55 / 230 |
| Temperatūras režīms, °C: | -1...+5 |
| El. enerģijas patēriņš, kW / 24st: | 5,87 |
| Plauktu skaits, gab: | 5 |
| Ietilpība, L: | 1292 |
| Izmēri (GxPxA), mm: | 1955x740x2040 |
|---|---|
| El. Jauda, kW / Spriegums, V: | 0,82 / 230 |
| Temperatūras režīms, °C: | -1...+5 |
| El. enerģijas patēriņš, kW / 24st: | 5,3 |
| Izmēri (GxPxA), mm: | 1955x740x2040 |
|---|---|
| El. Jauda, kW / Spriegums, V: | 0,82 / 230 |
| Temperatūras režīms, °C: | -1...+5 |
| El. enerģijas patēriņš, kW / 24st: | 5,3 |
| Plauktu skaits, gab: | 10 + 1 |
| Ietilpība, L: | 2165 |
| Izmēri (GxPxA), mm: | 1330x740x2040 |
|---|---|
| El. Jauda, kW / Spriegums, V: | 0,58 / 230 |
| Temperatūras režīms, °C: | -1...+5 |
| El. enerģijas patēriņš, kW / 24st: | 3,3 |
| Izmēri (GxPxA), mm: | 1330x740x2040 |
|---|---|
| El. Jauda, kW / Spriegums, V: | 0,58 / 230 |
| Temperatūras režīms, °C: | -1...+5 |
| El. enerģijas patēriņš, kW / 24st: | 3,3 |
| Plauktu skaits, gab: | 5 + 1 |
| Ietilpība, L: | 1443 |
| Izmēri (GxPxA), mm: | 1018x740x2040 |
|---|---|
| El. Jauda, kW / Spriegums, V: | 0,58 / 230 |
| Temperatūras režīms, °C: | -1...+5 |
| El. enerģijas patēriņš, kW / 24st: | 3,18 |
| Izmēri (GxPxA), mm: | 1018x740x2040 |
|---|---|
| El. Jauda, kW / Spriegums, V: | 0,58 / 230 |
| Temperatūras režīms, °C: | -1...+5 |
| El. enerģijas patēriņš, kW / 24st: | 3,18 |
| Plauktu skaits, gab: | 5 + 1 |
| Ietilpība, L: | 1083 |
| Gabarīti (GxPxA), mm: | 2500x980x955 |
|---|---|
| El. jauda, kW: | 0,5 |
| Spriegums, V: | 220 |
| Temperatūras režīms, °C: | -24 ... +10 |
| Gabarīti (GxPxA), mm: | 2500x980x955 |
|---|---|
| El. jauda, kW: | 0,5 |
| Spriegums, V: | 220 |
| Temperatūras režīms, °C: | -24 ... +10 |
| El. enerģijas patēriņš, kW / 24st: | 9,15 |
| Ietilpība, L: | 1320 |
| Gabarīti (GxPxA), mm: | 2506x858x890 |
|---|---|
| El. jauda, kW: | 0,9 |
| Spriegums, V: | 220 |
| Temperatūras režīms, °C: | No -24 līdz -18 / No -1 līdz +8 |
| Gabarīti (GxPxA), mm: | 2506x858x890 |
|---|---|
| El. jauda, kW: | 0,9 |
| Spriegums, V: | 220 |
| Temperatūras režīms, °C: | No -24 līdz -18 / No -1 līdz +8 |
| El. enerģijas patēriņš, kW / 24st: | 5,51 |
| Ietilpība, L: | 1104 |
| Gabarīti (GxPxA), mm: | 1856x858x890 |
|---|---|
| El. jauda, kW: | 0,9 |
| Spriegums, V: | 220 |
| Temperatūras režīms, °C: | No -24 līdz -18 / No -1 līdz +8 |
| Gabarīti (GxPxA), mm: | 1856x858x890 |
|---|---|
| El. jauda, kW: | 0,9 |
| Spriegums, V: | 220 |
| Temperatūras režīms, °C: | No -24 līdz -18 / No -1 līdz +8 |
| El. enerģijas patēriņš, kW / 24st: | 4,56 |
| Ietilpība, L: | 786 |
| Gabarīti (GxPxA), mm: | 1856x858x832 |
|---|---|
| El. jauda, kW: | 0,9 |
| Spriegums, V: | 220 |
| Temperatūras režīms, °C: | No -24 līdz -18 / No -1 līdz +8 |
| Gabarīti (GxPxA), mm: | 1856x858x832 |
|---|---|
| El. jauda, kW: | 0,9 |
| Spriegums, V: | 220 |
| Temperatūras režīms, °C: | No -24 līdz -18 / No -1 līdz +8 |
| El. enerģijas patēriņš, kW / 24st: | 4,31 |
| Ietilpība, L: | 786 |
| Izmēri (GxPxA), mm: | 2505x815x900 |
|---|---|
| El. Jauda, kW: | 0,5 |
| Spriegums, V: | 230 |
| Temperatūras režīms, °C: | ≤ -18 |
| Izmēri (GxPxA), mm: | 2505x815x900 |
|---|---|
| El. Jauda, kW: | 0,5 |
| Spriegums, V: | 230 |
| Temperatūras režīms, °C: | ≤ -18 |
| El. enerģijas patēriņš, kW / 24st: | 7,5 |
| Režģu grozu skaits, gb: | 10 |
| Izmēri (GxPxA), mm: | 2105x815x900 |
|---|---|
| El. Jauda, kW: | 0,5 |
| Spriegums, V: | 230 |
| Temperatūras režīms, °C: | ≤ -18 |
| Izmēri (GxPxA), mm: | 2105x815x900 |
|---|---|
| El. Jauda, kW: | 0,5 |
| Spriegums, V: | 230 |
| Temperatūras režīms, °C: | ≤ -18 |
| El. enerģijas patēriņš, kW / 24st: | 6,5 |
| Režģu grozu skaits, gb: | 8 |
| Izmēri (GxPxA), mm: | 1865x816x850 |
|---|---|
| El. Jauda, kW: | 0,41 |
| Spriegums, V: | 230 |
| Temperatūras režīms, °C: | ≤ -18 |
| Izmēri (GxPxA), mm: | 1865x816x850 |
|---|---|
| El. Jauda, kW: | 0,41 |
| Spriegums, V: | 230 |
| Temperatūras režīms, °C: | ≤ -18 |
| El. enerģijas patēriņš, kW / 24st: | 5,5 |
| Režģu grozu skaits, gb: | 6 |
| Izmēri (GxPxA), mm: | 1865x815x900 |
|---|---|
| El. Jauda, kW: | 0,44 |
| Spriegums, V: | 230 |
| Temperatūras režīms, °C: | ≤ -18 |
| Izmēri (GxPxA), mm: | 1865x815x900 |
|---|---|
| El. Jauda, kW: | 0,44 |
| Spriegums, V: | 230 |
| Temperatūras režīms, °C: | ≤ -18 |
| El. enerģijas patēriņš, kW / 24st: | 5,5 |
| Režģu grozu skaits, gb: | 6 |
| Izmēri (GxPxA), mm: | 2000x757x858 |
|---|---|
| El. Jauda, kW: | 0,52 |
| Spriegums, V: | 230 |
| Temperatūras režīms, °C: | ≤ -18 |
| Izmēri (GxPxA), mm: | 2000x757x858 |
|---|---|
| El. Jauda, kW: | 0,52 |
| Spriegums, V: | 230 |
| Temperatūras režīms, °C: | ≤ -18 |
| El. enerģijas patēriņš, kW / 24st: | 5,0 |
| Režģu grozu skaits, gb: | 6 |
| Izmēri (GxPxA), mm: | 1650x757x858 |
|---|---|
| El. Jauda, kW: | 0,39 |
| Spriegums, V: | 230 |
| Temperatūras režīms, °C: | ≤ -18 |
| Izmēri (GxPxA), mm: | 1650x757x858 |
|---|---|
| El. Jauda, kW: | 0,39 |
| Spriegums, V: | 230 |
| Temperatūras režīms, °C: | ≤ -18 |
| El. enerģijas patēriņš, kW / 24st: | 4,8 |
| Režģu grozu skaits, gb: | 6 |
| Izmēri (GxPxA), mm: | 1475x757x858 |
|---|---|
| El. Jauda, kW: | 0,39 |
| Spriegums, V: | 230 |
| Temperatūras režīms, °C: | ≤ -18 |
| Izmēri (GxPxA), mm: | 1475x757x858 |
|---|---|
| El. Jauda, kW: | 0,39 |
| Spriegums, V: | 230 |
| Temperatūras režīms, °C: | ≤ -18 |
| El. enerģijas patēriņš, kW / 24st: | 4,5 |
| Režģu grozu skaits, gb: | 5 |
| Izmēri, (GxPxA), mm: | 1200x735x1990 |
|---|---|
| El. Jauda, kW: | 0,85 |
| El. patēriņš kWh / 24st: | 6,68 (Klase F) |
| Spriegums / Frekvence: | 230V / 50Hz |
| Izmēri, (GxPxA), mm: | 1200x735x1990 |
|---|---|
| El. Jauda, kW: | 0,85 |
| El. patēriņš kWh / 24st: | 6,68 (Klase F) |
| Spriegums / Frekvence: | 230V / 50Hz |
| Trokšņa limenis, db(A): | 48 |
| Dzesētājs: | R290 |
| Izmēri (GxPxA), mm: | 1880x710x1997 |
|---|---|
| Elektriskā jauda, kW: | 0.65 |
| Spriegums, V: | 230 |
| Temperatūras režīms, °C: | 0...+10 |
| Izmēri (GxPxA), mm: | 1880x710x1997 |
|---|---|
| Elektriskā jauda, kW: | 0.65 |
| Spriegums, V: | 230 |
| Temperatūras režīms, °C: | 0...+10 |
| Plauktu skaits: | 15 |
| Maks. plaukta noslodze, kg: | 30 |
| Izmēri (GxPxA), mm: | 1370x720x2020 |
|---|---|
| El. Jauda, kW: | 1 |
| Elektroenerģijas patēriņš, kW / 24st: | 23,52 (Klase F) |
| Spriegums / Frekvence: | 230V / 50Hz |
| Izmēri (GxPxA), mm: | 1370x720x2020 |
|---|---|
| El. Jauda, kW: | 1 |
| Elektroenerģijas patēriņš, kW / 24st: | 23,52 (Klase F) |
| Spriegums / Frekvence: | 230V / 50Hz |
| Dzesētājs: | R290 |
| Temperatūras diapazons, °C: | -24...-12 |
| Gabarīti (GxPxA), mm: | 2177 x 1110 x 1175 |
|---|---|
| Temperatūras režīms, °C: | -20 ... -14 °C |
| Spriegums: | 230V |
| Patērētā enerģija: | 33,93 kWh / 24h |
| Gabarīti (GxPxA), mm: | 2177 x 1110 x 1175 |
|---|---|
| Temperatūras režīms, °C: | -20 ... -14 °C |
| Spriegums: | 230V |
| Patērētā enerģija: | 33,93 kWh / 24h |
| Aukstumaģents: | R290 |
| Dzesēšanas tips: | Ventilējams |
| Gabarīti (GxPxA), mm: | 1682 x 1100 x 1175 |
|---|---|
| Temperatūras režīms, °C: | -20 ... -14 °C |
| Spriegums: | 230V |
| Patērētā enerģija: | 28,36 kWh / 24h |
| Gabarīti (GxPxA), mm: | 1682 x 1100 x 1175 |
|---|---|
| Temperatūras režīms, °C: | -20 ... -14 °C |
| Spriegums: | 230V |
| Patērētā enerģija: | 28,36 kWh / 24h |
| Aukstumaģents: | R290 |
| Dzesēšanas tips: | Ventilējams |
| Gabarīti (GxPxA), mm: | 1187 x 1110 x 1175 |
|---|---|
| Temperatūras režīms, °C: | -20 ... -14 °C |
| Spriegums: | 230V |
| Patērētā enerģija: | 21,85 kWh / 24 st |
| Gabarīti (GxPxA), mm: | 1187 x 1110 x 1175 |
|---|---|
| Temperatūras režīms, °C: | -20 ... -14 °C |
| Spriegums: | 230V |
| Patērētā enerģija: | 21,85 kWh / 24 st |
| Aukstumaģents: | R290 |
| Dzesēšanas tips: | Ventilējams |
| Gabarīti (GxPxA), mm: | 1544 x 694 x 1330 |
|---|---|
| Temperatūras režīms, °C: | -23 ... -16 °C |
| Spriegums: | 230V |
| Patērētā enerģija: | 2,31 kWh / 24 st |
| Gabarīti (GxPxA), mm: | 1544 x 694 x 1330 |
|---|---|
| Temperatūras režīms, °C: | -23 ... -16 °C |
| Spriegums: | 230V |
| Patērētā enerģija: | 2,31 kWh / 24 st |
| Aukstumaģents: | R290 |
| Dzesēšanas tips: | Statisks |
| Gabarīti (GxPxA), mm: | 1276 x 819 x 1229 |
|---|---|
| Temperatūras režīms, °C: | -20 ... -10 °C |
| Spriegums: | 230V |
| Patērētā enerģija: | 15,4 kWh / 24st |
| Gabarīti (GxPxA), mm: | 1276 x 819 x 1229 |
|---|---|
| Temperatūras režīms, °C: | -20 ... -10 °C |
| Spriegums: | 230V |
| Patērētā enerģija: | 15,4 kWh / 24st |
| Aukstumaģents: | R290 |
| Dzesēšanas tips: | Ventilējams |
| Gabarīti (GxPxA), mm: | 1804 x 694 x 1330 |
|---|---|
| Temperatūras režīms, °C: | -23 ... -16 °C |
| Spriegums: | 230V |
| Patērētā enerģija: | 2,71 kWh / 24st |
| Gabarīti (GxPxA), mm: | 1804 x 694 x 1330 |
|---|---|
| Temperatūras režīms, °C: | -23 ... -16 °C |
| Spriegums: | 230V |
| Patērētā enerģija: | 2,71 kWh / 24st |
| Aukstumaģents: | R290 |
| Dzesēšanas tips: | Statisks |
| Gabarīti (GxPxA), mm: | 1300 × 650 × 850 |
|---|---|
| Temperatūras režīms, °C: | -23 … -16 |
| Spriegums: | 230V |
| Patērētā enerģija: | 1,96 kWh / 24st |
| Gabarīti (GxPxA), mm: | 1300 × 650 × 850 |
|---|---|
| Temperatūras režīms, °C: | -23 … -16 |
| Spriegums: | 230V |
| Patērētā enerģija: | 1,96 kWh / 24st |
| Aukstumaģents: | R290 |
| Dzesēšanas tips: | Statiskā dzesēšana |
| Gabarīti (GxPxA), mm: | 1050 × 650 × 850 |
|---|---|
| Temperatūras režīms, °C: | -23 … -16 |
| Spriegums: | 230V |
| Patērētā enerģija: | 1,69 kWh / 24st |
| Gabarīti (GxPxA), mm: | 1050 × 650 × 850 |
|---|---|
| Temperatūras režīms, °C: | -23 … -16 |
| Spriegums: | 230V |
| Patērētā enerģija: | 1,69 kWh / 24st |
| Aukstumaģents: | R290 |
| Dzesēšanas tips: | Statiskā dzesēšana |
| Gabarīti (GxPxA), mm: | 720 × 650 × 850 |
|---|---|
| Temperatūras režīms, °C: | -23 … -16 |
| Spriegums: | 230V |
| Patērētā enerģija: | 1,18 kWh / 24st |
| Gabarīti (GxPxA), mm: | 720 × 650 × 850 |
|---|---|
| Temperatūras režīms, °C: | -23 … -16 |
| Spriegums: | 230V |
| Patērētā enerģija: | 1,18 kWh / 24st |
| Aukstumaģents: | R290 |
| Dzesēšanas tips: | Statiskā dzesēšana |
| Gabarīti (GxPxA), mm: | 432x496x668 |
|---|---|
| El. jauda, kW: | 0,07 |
| Elektroenerģijas patēriņš, kW / 24st: | 0,56 |
| Spriegums, V: | 230 |
| Gabarīti (GxPxA), mm: | 432x496x668 |
|---|---|
| El. jauda, kW: | 0,07 |
| Elektroenerģijas patēriņš, kW / 24st: | 0,56 |
| Spriegums, V: | 230 |
| Temperatūras režīms, °C: | +2 ... +10 |
| Dzesētājs: | R600a |
| Izmēri (GxPxA), mm: | 1230x700x865 |
|---|---|
| El. Jauda, kW: | 0.54 |
| Spriegums, V: | 230 |
| Temperatūras diapazons, °C: | -21...-18 /+ 1...+4 |
| Izmēri (GxPxA), mm: | 1230x700x865 |
|---|---|
| El. Jauda, kW: | 0.54 |
| Spriegums, V: | 230 |
| Temperatūras diapazons, °C: | -21...-18 /+ 1...+4 |
| El. enerģijas patēriņš, kW / 24st: | 3.88 |
| Ietilpība, L: | 265 |
| Izmēri (GxPxA), mm: | 1230x700x600 |
|---|---|
| El. Jauda, kW: | 0.27 |
| Spriegums, V: | 230 |
| Temperatūras diapazons, °C: | -21...-18 /+ 1...+4 |
| Izmēri (GxPxA), mm: | 1230x700x600 |
|---|---|
| El. Jauda, kW: | 0.27 |
| Spriegums, V: | 230 |
| Temperatūras diapazons, °C: | -21...-18 /+ 1...+4 |
| El. enerģijas patēriņš, kW / 24st: | 2.39 |
| Ietilpība, L: | 116 |
| Izmēri (GxPxA), mm: | 905x700x865 |
|---|---|
| El. Jauda, kW: | 0.54 |
| Spriegums, V: | 230 |
| Temperatūras diapazons, °C: | -21...-18 /+ 1...+4 |
| Izmēri (GxPxA), mm: | 905x700x865 |
|---|---|
| El. Jauda, kW: | 0.54 |
| Spriegums, V: | 230 |
| Temperatūras diapazons, °C: | -21...-18 /+ 1...+4 |
| El. enerģijas patēriņš, kW / 24st: | 3.66 |
| Ietilpība, L: | 179 |
| Izmēri (GxPxA), mm: | 905x700x600 |
|---|---|
| El. Jauda, kW: | 0.27 |
| Spriegums, V: | 230 |
| Temperatūras diapazons, °C: | -21...-18 /+ 1...+4 |
| Izmēri (GxPxA), mm: | 905x700x600 |
|---|---|
| El. Jauda, kW: | 0.27 |
| Spriegums, V: | 230 |
| Temperatūras diapazons, °C: | -21...-18 /+ 1...+4 |
| El. enerģijas patēriņš, kW / 24st: | 2.21 |
| Ietilpība, L: | 78 |
| Ārējie izmēri (GxPxA), mm: | 3000x3000x2200 |
|---|---|
| Iekšējie izmēri (GxPxA), mm: | 2840x2840x2040 |
| Temperatūras režīms, °C: | 0...+8 |
| Tilpums, m3: | 16,45 |
| Ārējie izmēri (GxPxA), mm: | 3000x3000x2200 |
|---|---|
| Iekšējie izmēri (GxPxA), mm: | 2840x2840x2040 |
| Temperatūras režīms, °C: | 0...+8 |
| Tilpums, m3: | 16,45 |
| El. Jauda, kW / Spriegums, V: | 0,96 / 230 |
| Dzesētājs: | R290 |
| Ārējie izmēri (GxPxA), mm: | 2400x2700x2200 |
|---|---|
| Iekšējie izmēri (GxPxA), mm: | 2240x2540x2040 |
| Temperatūras režīms, °C: | 0...+8 |
| Tilpums, m3: | 11,60 |
| Ārējie izmēri (GxPxA), mm: | 2400x2700x2200 |
|---|---|
| Iekšējie izmēri (GxPxA), mm: | 2240x2540x2040 |
| Temperatūras režīms, °C: | 0...+8 |
| Tilpums, m3: | 11,60 |
| El. Jauda, kW / Spriegums, V: | 0,91 / 230 |
| Dzesētājs: | R290 |
| Ārējie izmēri (GxPxA), mm: | 2100x3000x2200 |
|---|---|
| Iekšējie izmēri (GxPxA), mm: | 1940x2840x2040 |
| Temperatūras režīms, °C: | 0...+8 |
| Tilpums, m3: | 11,24 |
| Ārējie izmēri (GxPxA), mm: | 2100x3000x2200 |
|---|---|
| Iekšējie izmēri (GxPxA), mm: | 1940x2840x2040 |
| Temperatūras režīms, °C: | 0...+8 |
| Tilpums, m3: | 11,24 |
| El. Jauda, kW / Spriegums, V: | 0,91 / 230 |
| Dzesētājs: | R290 |
| Ārējie izmēri (GxPxA), mm: | 1800x2100x2200 |
|---|---|
| Iekšējie izmēri (GxPxA), mm: | 1640x1940x2040 |
| Temperatūras režīms, °C: | 0...+8 |
| Tilpums, m3: | 6,49 |
| Ārējie izmēri (GxPxA), mm: | 1800x2100x2200 |
|---|---|
| Iekšējie izmēri (GxPxA), mm: | 1640x1940x2040 |
| Temperatūras režīms, °C: | 0...+8 |
| Tilpums, m3: | 6,49 |
| El. Jauda, kW / Spriegums, V: | 0,86 / 230 |
| Dzesētājs: | R290 |
| Gabarīti (GxPxA), mm: | 1200х700х900 |
|---|---|
| Spriegums, V: | 400 |
| Jauda, kW: | 18 |
| Sildelementa jauda, kW: | 2,5 |
| Gabarīti (GxPxA), mm: | 1200х700х900 |
|---|---|
| Spriegums, V: | 400 |
| Jauda, kW: | 18 |
| Sildelementa jauda, kW: | 2,5 |
| Sildvirsmu skaits, gb.: | 6 |
| Cepeškrāsns iekšējie izmēri (GxPxA), mm: | 660x500x350 |
| Gabarīti (GxPxA), mm: | 1200х700х900 |
|---|---|
| Spriegums, V: | 400 |
| Jauda, kW: | 19,5 |
| Sildelementa jauda, kW: | 2,5 |
| Gabarīti (GxPxA), mm: | 1200х700х900 |
|---|---|
| Spriegums, V: | 400 |
| Jauda, kW: | 19,5 |
| Sildelementa jauda, kW: | 2,5 |
| Sildvirsmu skaits, gb.: | 6 |
| Cepeškrāsns iekšējie izmēri (GxPxA), mm: | 660x500x350 |
| Gabarīti (GxPxA), mm: | 800х700х900 |
|---|---|
| Spriegums, V: | 400 |
| Jauda, kW: | 13 |
| Sildelementa jauda, kW: | 2,5 |
| Gabarīti (GxPxA), mm: | 800х700х900 |
|---|---|
| Spriegums, V: | 400 |
| Jauda, kW: | 13 |
| Sildelementa jauda, kW: | 2,5 |
| Sildvirsmu skaits, gb.: | 4 |
| Cepeškrāsns iekšējie izmēri (GxPxA), mm: | 660x500x350 |
| Gabarīti (GxPxA), mm: | 800х700х900 |
|---|---|
| Spriegums, V: | 400 |
| Jauda, kW: | 14,5 |
| Sildelementa jauda, kW: | 2,5 |
| Gabarīti (GxPxA), mm: | 800х700х900 |
|---|---|
| Spriegums, V: | 400 |
| Jauda, kW: | 14,5 |
| Sildelementa jauda, kW: | 2,5 |
| Sildvirsmu skaits, gb.: | 4 |
| Cepeškrāsns iekšējie izmēri (GxPxA), mm: | 660x500x350 |
| Gabarīti (GxPxA), mm: | 1200х700х900 |
|---|---|
| Spriegums, V: | 400 |
| Jauda, kW: | 15 |
| Sildelementa jauda, kW: | 2,5 |
| Gabarīti (GxPxA), mm: | 1200х700х900 |
|---|---|
| Spriegums, V: | 400 |
| Jauda, kW: | 15 |
| Sildelementa jauda, kW: | 2,5 |
| Sildvirsmu skaits, gb.: | 6 |
| Svars, kg: | 135 |
| Gabarīti (GxPxA), mm: | 800х700х900 |
|---|---|
| Spriegums, V: | 400 |
| Jauda, kW: | 10 |
| Sildelementa jauda, kW: | 2,5 |
| Gabarīti (GxPxA), mm: | 800х700х900 |
|---|---|
| Spriegums, V: | 400 |
| Jauda, kW: | 10 |
| Sildelementa jauda, kW: | 2,5 |
| Sildvirsmu skaits, gb.: | 4 |
| Svars, kg: | 95 |
| Gabarīti (GxPxA), mm: | 400х700х900 |
|---|---|
| Spriegums, V: | 400 |
| Jauda, kW: | 5 |
| Sildelementa jauda, kW: | 2,5 |
| Gabarīti (GxPxA), mm: | 400х700х900 |
|---|---|
| Spriegums, V: | 400 |
| Jauda, kW: | 5 |
| Sildelementa jauda, kW: | 2,5 |
| Sildvirsmu skaits, gb.: | 2 |
| Svars, kg: | 55 |
| Izmēri (GxPxA), mm: | 1100х800х850 |
|---|---|
| Kopējā el. jauda, kW: | 21,0 |
| Spriegums, V: | 380 |
| Degļu skaits: | 6 |
| Izmēri (GxPxA), mm: | 1100х800х850 |
|---|---|
| Kopējā el. jauda, kW: | 21,0 |
| Spriegums, V: | 380 |
| Degļu skaits: | 6 |
| Vienas zonas jauda, kV: | 3,5 |
| Temperatūras režīms, °C: | 60 - 240 |
| Izmēri (GxPxA), mm: | 700х800х850 |
|---|---|
| Kopējā el. jauda, kW: | 14,0 |
| Spriegums, V: | 380 |
| Degļu skaits: | 4 |
| Izmēri (GxPxA), mm: | 700х800х850 |
|---|---|
| Kopējā el. jauda, kW: | 14,0 |
| Spriegums, V: | 380 |
| Degļu skaits: | 4 |
| Vienas zonas jauda, kV: | 3,5 |
| Temperatūras režīms, °C: | 60 - 240 |
| Izmēri (GxPxA), mm: | 1500х600х850 |
|---|---|
| Kopējā el. jauda, kW: | 14,0 |
| Spriegums, V: | 380 |
| Degļu skaits: | 4 |
| Izmēri (GxPxA), mm: | 1500х600х850 |
|---|---|
| Kopējā el. jauda, kW: | 14,0 |
| Spriegums, V: | 380 |
| Degļu skaits: | 4 |
| Vienas zonas jauda, kV: | 3,5 |
| Temperatūras režīms, °C: | 60 - 240 |
| Izmēri (GxPxA), mm: | 700х400х900 |
|---|---|
| Kopējā el. jauda, kW: | 7,0 |
| Spriegums, V: | 380 |
| Degļu skaits: | 2 |
| Izmēri (GxPxA), mm: | 700х400х900 |
|---|---|
| Kopējā el. jauda, kW: | 7,0 |
| Spriegums, V: | 380 |
| Degļu skaits: | 2 |
| Vienas zonas jauda, kV: | 3,5 |
| Temperatūras režīms, °C: | 60 - 240 |
| Izmēri (GxPxA), mm: | 710x445x110 |
|---|---|
| Kopējā el. jauda, kW: | 2 x 3,5 |
| Spriegums, V: | 230 |
| Degļu skaits: | 2 |
| Izmēri (GxPxA), mm: | 710x445x110 |
|---|---|
| Kopējā el. jauda, kW: | 2 x 3,5 |
| Spriegums, V: | 230 |
| Degļu skaits: | 2 |
| Vienas zonas jauda, kV: | 3,5 |
| Temperatūras režīms, °C: | 60 - 240 |
| Izmēri (GxPxA), mm: | 445x365x110 |
|---|---|
| Kopējā el. jauda, kW: | 3,5 |
| Spriegums, V: | 230 |
| Degļu skaits: | 1 |
| Izmēri (GxPxA), mm: | 445x365x110 |
|---|---|
| Kopējā el. jauda, kW: | 3,5 |
| Spriegums, V: | 230 |
| Degļu skaits: | 1 |
| Vienas zonas jauda, kV: | 3,5 |
| Temperatūras režīms, °C: | 60 - 240 |
| Izmēri (GxPxA), mm: | 1180х800х900(1000) |
|---|---|
| Spriegums, V / Frekvence: | 380 / 50Hz |
| Kopējā el. jauda, kW: | 21,0 |
| Sildelementu skaits, gab: | 6 |
| Izmēri (GxPxA), mm: | 1180х800х900(1000) |
|---|---|
| Spriegums, V / Frekvence: | 380 / 50Hz |
| Kopējā el. jauda, kW: | 21,0 |
| Sildelementu skaits, gab: | 6 |
| Viena sildelementa jauda, kW: | 3,5 |
| Stikla darba virsmas izmēri (PxG), mm: | 320 x 320 |
| Izmēri (GxPxA), mm: | 800х800х900(1000) |
|---|---|
| Spriegums, V / Frekvence: | 380 / 50Hz |
| Kopējā el. jauda, kW: | 14,0 |
| Sildelementu skaits, gab: | 4 |
| Izmēri (GxPxA), mm: | 800х800х900(1000) |
|---|---|
| Spriegums, V / Frekvence: | 380 / 50Hz |
| Kopējā el. jauda, kW: | 14,0 |
| Sildelementu skaits, gab: | 4 |
| Viena sildelementa jauda, kW: | 3,5 |
| Stikla darba virsmas izmēri (PxG), mm: | 320 x 320 |
| Izmēri (GxPxA), mm: | 800х400х900(1000) |
|---|---|
| Spriegums, V / Frekvence: | 380 / 50Hz |
| Kopējā el. jauda, kW: | 7,0 |
| Sildelementu skaits, gab: | 2 |
| Izmēri (GxPxA), mm: | 800х400х900(1000) |
|---|---|
| Spriegums, V / Frekvence: | 380 / 50Hz |
| Kopējā el. jauda, kW: | 7,0 |
| Sildelementu skaits, gab: | 2 |
| Viena sildelementa jauda, kW: | 3,5 |
| Stikla darba virsmas izmēri (PxG), mm: | 320 x 320 |
| Izmēri (PxGxA), mm: | 800х700х900 |
|---|---|
| El. jauda, kW: | 9 |
| El. spriegums, V: | 400 |
| Katla apjoms, l: | 60 |
| Izmēri (PxGxA), mm: | 800х700х900 |
|---|---|
| El. jauda, kW: | 9 |
| El. spriegums, V: | 400 |
| Katla apjoms, l: | 60 |
| Bļodas izmēri (PxGxA), mm:: | 400х400х425 |
| Mikseris: | - |
| Izmēri (PxGxA), mm: | 800х900х900 |
|---|---|
| El. jauda, kW: | 18 |
| El. spriegums, V: | 400 |
| Katla apjoms, l: | 100 |
| Izmēri (PxGxA), mm: | 800х900х900 |
|---|---|
| El. jauda, kW: | 18 |
| El. spriegums, V: | 400 |
| Katla apjoms, l: | 100 |
| Bļodas izmēri (PxGxA), mm:: | 400х600х425 |
| Mikseris: | - |
| Gabarīti (GxPxA), mm: | 1000x700x900 |
|---|---|
| El.spriegums, V: | 400 |
| El .jauda, kW: | 4,2 |
| Pannas tilpums, l: | 25 |
| Gabarīti (GxPxA), mm: | 1000x700x900 |
|---|---|
| El.spriegums, V: | 400 |
| El .jauda, kW: | 4,2 |
| Pannas tilpums, l: | 25 |
| Pannas izmēri, mm: | 685х475х145 |
| Temperatūras diapasons, °C: | 20 - 275 |
| Gabarīti (GxPxA), mm: | 1450x700x900 |
|---|---|
| El.spriegums, V: | 400 |
| El .jauda, kW: | 17,5 |
| Pannas tilpums, l: | 96 |
| Gabarīti (GxPxA), mm: | 1450x700x900 |
|---|---|
| El.spriegums, V: | 400 |
| El .jauda, kW: | 17,5 |
| Pannas tilpums, l: | 96 |
| Pannas izmēri, mm: | 1220х450х200 |
| Temperatūras diapasons, °C: | 50 - 300 |
| Gabarīti (GxPxA), mm: | 800x700x900 |
|---|---|
| El.spriegums, V: | 400 |
| El .jauda, kW: | 14,5 |
| Pannas tilpums, l: | 80 |
| Gabarīti (GxPxA), mm: | 800x700x900 |
|---|---|
| El.spriegums, V: | 400 |
| El .jauda, kW: | 14,5 |
| Pannas tilpums, l: | 80 |
| Pannas izmēri, mm: | 570х450х200 |
| Temperatūras diapasons, °C: | 50 - 300 |
| Gabarīti (GxPxA), mm: | 800x700x900 |
|---|---|
| El.spriegums, V: | 400 |
| El .jauda, kW: | 8,5 |
| Pannas tilpums, l: | 45 |
| Gabarīti (GxPxA), mm: | 800x700x900 |
|---|---|
| El.spriegums, V: | 400 |
| El .jauda, kW: | 8,5 |
| Pannas tilpums, l: | 45 |
| Pannas izmēri, mm: | 570х450х200 |
| Temperatūras diapasons, °C: | 50 - 300 |
| Gabarīti (GxPxA), mm: | 800x700x900 |
|---|---|
| El.spriegums, V: | 400 |
| El .jauda, kW: | 9,6 |
| Pannas tilpums, l: | 20 |
| Gabarīti (GxPxA), mm: | 800x700x900 |
|---|---|
| El.spriegums, V: | 400 |
| El .jauda, kW: | 9,6 |
| Pannas tilpums, l: | 20 |
| Pannas izmēri, mm: | 625х505х100 |
| Temperatūras diapasons, °C: | 50 - 300 |
| Gabarīti (GxPxA), mm: | 400x700x900 |
|---|---|
| El.spriegums, V: | 400 |
| El .jauda, kW: | 4,8 |
| Pannas tilpums, l: | 10 |
| Gabarīti (GxPxA), mm: | 400x700x900 |
|---|---|
| El.spriegums, V: | 400 |
| El .jauda, kW: | 4,8 |
| Pannas tilpums, l: | 10 |
| Pannas izmēri, mm:: | 305х505х100 |
| Temperatūras diapasons, °C: | 50 - 300 |
| Izmēri (GxPxA), mm: | 1200x900x900 |
|---|---|
| Elektriskā jauda, kW: | 18 |
| Spriegums, V: | 400 |
| Tilpums, L: | 120 |
| Izmēri (GxPxA), mm: | 1200x900x900 |
|---|---|
| Elektriskā jauda, kW: | 18 |
| Spriegums, V: | 400 |
| Tilpums, L: | 120 |
| Temperatūras diapazons, °C: | 50 - 250 |
| Svars, kg: | 180 |
| Izmēri (GxPxA), mm: | 1200x900x900 |
|---|---|
| Elektriskā jauda, kW: | 18 |
| Spriegums, V: | 400 |
| Tilpums, L: | 120 |
| Izmēri (GxPxA), mm: | 1200x900x900 |
|---|---|
| Elektriskā jauda, kW: | 18 |
| Spriegums, V: | 400 |
| Tilpums, L: | 120 |
| Temperatūras diapazons, °C: | 50 - 250 |
| Svars, kg: | 180 |
| Izmēri (GxPxA), mm: | 900x900x900 |
|---|---|
| Elektriskā jauda, kW: | 13,5 |
| Spriegums, V: | 400 |
| Tilpums, L: | 80 |
| Izmēri (GxPxA), mm: | 900x900x900 |
|---|---|
| Elektriskā jauda, kW: | 13,5 |
| Spriegums, V: | 400 |
| Tilpums, L: | 80 |
| Temperatūras diapazons, °C: | 50 - 300 |
| Svars, kg: | 160 |
| Izmēri (GxPxA), mm: | 900x900x900 |
|---|---|
| Elektriskā jauda, kW: | 13,5 |
| Spriegums, V: | 400 |
| Tilpums, L: | 80 |
| Izmēri (GxPxA), mm: | 900x900x900 |
|---|---|
| Elektriskā jauda, kW: | 13,5 |
| Spriegums, V: | 400 |
| Tilpums, L: | 80 |
| Temperatūras diapazons, °C: | 50 - 250 |
| Svars, kg: | 160 |
| Izmēri (GxPxA), mm: | 800x700x900 |
|---|---|
| Elektriskā jauda, kW: | 9 |
| Spriegums, V: | 400 |
| Tilpums, L: | 50 |
| Izmēri (GxPxA), mm: | 800x700x900 |
|---|---|
| Elektriskā jauda, kW: | 9 |
| Spriegums, V: | 400 |
| Tilpums, L: | 50 |
| Temperatūras diapazons, °C: | 50 - 250 |
| Svars, kg: | 125 |
| Izmēri (GxPxA), mm: | 800x700x900 |
|---|---|
| Elektriskā jauda, kW: | 9 |
| Spriegums, V: | 400 |
| Tilpums, L: | 50 |
| Izmēri (GxPxA), mm: | 800x700x900 |
|---|---|
| Elektriskā jauda, kW: | 9 |
| Spriegums, V: | 400 |
| Tilpums, L: | 50 |
| Temperatūras diapazons, °C: | 50 - 250 |
| Svars, kg: | 125 |
| Izmēri (GxPxA), mm: | 1200x900x900 |
|---|---|
| Elektriskā jauda, kW: | 20,4 |
| Spriegums, V: | 230 |
| Tilpums, L: | 120 |
| Izmēri (GxPxA), mm: | 1200x900x900 |
|---|---|
| Elektriskā jauda, kW: | 20,4 |
| Spriegums, V: | 230 |
| Tilpums, L: | 120 |
| Gāzes patēriņš, m³/h: | 2,04 |
| Temperatūras diapasons, °C: | 50 - 250 |
| Izmēri (GxPxA), mm: | 1200x900x900 |
|---|---|
| Elektriskā jauda, kW: | 20,4 |
| Spriegums, V: | 230 |
| Tilpums, L: | 120 |
| Izmēri (GxPxA), mm: | 1200x900x900 |
|---|---|
| Elektriskā jauda, kW: | 20,4 |
| Spriegums, V: | 230 |
| Tilpums, L: | 120 |
| Gāzes patēriņš, m³/h: | 2,04 |
| Temperatūras diapasons, °C: | 50 - 250 |
| Gabarīti (GxPxA), mm: | 900x900x900 |
|---|---|
| El.spriegums, V: | 18 |
| Spriegums, V: | 230 |
| Tilpums, L: | 80 |
| Gabarīti (GxPxA), mm: | 900x900x900 |
|---|---|
| El.spriegums, V: | 18 |
| Spriegums, V: | 230 |
| Tilpums, L: | 80 |
| Gāzes patēriņš, m³/h: | 1,8 |
| Temperatūras diapazons, °C: | 50 - 250 |
| Gabarīti (GxPxA), mm: | 900x900x900 |
|---|---|
| El.spriegums, V: | 18 |
| Spriegums, V: | 230 |
| Tilpums, L: | 80 |
| Gabarīti (GxPxA), mm: | 900x900x900 |
|---|---|
| El.spriegums, V: | 18 |
| Spriegums, V: | 230 |
| Tilpums, L: | 80 |
| Gāzes patēriņš, m³/h: | 1,8 |
| Temperatūras diapazons, °C: | 50 - 250 |
| Gabarīti (GxPxA), mm: | 800x700x900 |
|---|---|
| Gāzes jauda, kW: | 10,9 |
| El.spriegums, V: | Gāze (G20/G31) + 230V |
| Pannas tilpums, l: | 50 |
| Gabarīti (GxPxA), mm: | 800x700x900 |
|---|---|
| Gāzes jauda, kW: | 10,9 |
| El.spriegums, V: | Gāze (G20/G31) + 230V |
| Pannas tilpums, l: | 50 |
| Gāzes patēriņš, m³/h:: | 1,09 |
| Temperatūras diapasons, °C: | 50 - 250 |
| Gabarīti (GxPxA), mm: | 800x700x900 |
|---|---|
| Gāzes jauda, kW: | 10,9 |
| El.spriegums, V: | Gāze (G20/G31) + 230V |
| Pannas tilpums, l: | 50 |
| Gabarīti (GxPxA), mm: | 800x700x900 |
|---|---|
| Gāzes jauda, kW: | 10,9 |
| El.spriegums, V: | Gāze (G20/G31) + 230V |
| Pannas tilpums, l: | 50 |
| Gāzes patēriņš, m³/h:: | 1,09 |
| Temperatūras diapasons, °C: | 50 - 250 |
| Gabarīti (GxPxA), mm: | 800 x 930 x 850 |
|---|---|
| El .jauda, kW: | 15,0 |
| El.spriegums, V: | 415 |
| Pannas tilpums, l: | 90 |
| Gabarīti (GxPxA), mm: | 800 x 930 x 850 |
|---|---|
| El .jauda, kW: | 15,0 |
| El.spriegums, V: | 415 |
| Pannas tilpums, l: | 90 |
| Temperatūras regulēšanas diapasons, C : | 100-310 |
| Svars, kg: | 195 |
| Gabarīti (GxPxA), mm: | 800x730x850 |
|---|---|
| El .jauda, kW: | 15,0 |
| El.spriegums, V: | 415 |
| Pannas tilpums, l: | 90 |
| Gabarīti (GxPxA), mm: | 800x730x850 |
|---|---|
| El .jauda, kW: | 15,0 |
| El.spriegums, V: | 415 |
| Pannas tilpums, l: | 90 |
| Temperatūras regulēšanas diapasons, C : | 100-310 |
| Svars, kg: | 195 |
| Gabarīti (GxPxA), mm: | 1200x930x850 |
|---|---|
| El .jauda, kW: | 22.5 |
| El.spriegums, V: | 415 |
| Pannas tilpums, l: | 120 |
| Gabarīti (GxPxA), mm: | 1200x930x850 |
|---|---|
| El .jauda, kW: | 22.5 |
| El.spriegums, V: | 415 |
| Pannas tilpums, l: | 120 |
| Temperatūras regulēšanas diapasons, C : | 100-310 |
| Svars, kg: | 233 |
| Izmēri (PxGxA), mm: | 400x700x900 |
|---|---|
| El. jauda, kW: | 6 |
| El. spriegums, V: | 400 |
| darba zonas izmēri (PxG), mm: | 470х335 |
| Izmēri (PxGxA), mm: | 400x700x900 |
|---|---|
| El. jauda, kW: | 6 |
| El. spriegums, V: | 400 |
| darba zonas izmēri (PxG), mm: | 470х335 |
| Tilpums, L: | 21 |
| Svars, kg: | 45 |
| Izmēri (PxGxA), mm: | 800x700x900 |
|---|---|
| El. jauda, kW: | 12 |
| El. spriegums, V: | 400 |
| darba zonas izmēri (PxG), mm: | 670x470 |
| Izmēri (PxGxA), mm: | 800x700x900 |
|---|---|
| El. jauda, kW: | 12 |
| El. spriegums, V: | 400 |
| darba zonas izmēri (PxG), mm: | 670x470 |
| Tilpums, L: | 40 |
| Svars, kg: | 75 |
| Izmēri (GxPxA), mm: | 400x7000x900 |
|---|---|
| El. jauda, kW: | 2 |
| El. spriegums, V: | 230 |
| Temperatūras režīms, °C: | 35 - 90 |
| Izmēri (GxPxA), mm: | 400x7000x900 |
|---|---|
| El. jauda, kW: | 2 |
| El. spriegums, V: | 230 |
| Temperatūras režīms, °C: | 35 - 90 |
| Svars, kg:: | 40 |
| Ražotājvalsts: | Ukraina |
| Izmēri (GxPxA), mm: | 800x7000x900 |
|---|---|
| El. jauda, kW: | 2 |
| El. spriegums, V: | 230 |
| Temperatūras režīms, °C: | 35 - 90 |
| Izmēri (GxPxA), mm: | 800x7000x900 |
|---|---|
| El. jauda, kW: | 2 |
| El. spriegums, V: | 230 |
| Temperatūras režīms, °C: | 35 - 90 |
| Svars, kg:: | 60 |
| Ražotājvalsts: | Ukraina |
| Gabarīti (GxPxA), mm: | 535x740x811 |
|---|---|
| Elektriskā jauda, kW: | 9,0 |
| El. spriegums, V: | 400 |
| Līmeņu skaits: | 10 |
| Gabarīti (GxPxA), mm: | 535x740x811 |
|---|---|
| Elektriskā jauda, kW: | 9,0 |
| El. spriegums, V: | 400 |
| Līmeņu skaits: | 10 |
| Paplātes izmēri, mm: | GN 2/3 |
| Vadības panelisVadības panelis: | 16" skārienjutīgs |
| Gabarīti (GxPxA), mm: | 3200x895x2020 |
|---|---|
| Jauda, kWt: | 34,1 |
| El. spriegums, V: | 415 |
| Mazgājamās mašīnas ražīgums kasetes/trauki stundā: | 200/3600 |
| Gabarīti (GxPxA), mm: | 3200x895x2020 |
|---|---|
| Jauda, kWt: | 34,1 |
| El. spriegums, V: | 415 |
| Mazgājamās mašīnas ražīgums kasetes/trauki stundā: | 200/3600 |
| Mazgāšanas temperatūra, °С (ne mazāk): | 55 |
| Skalošanas temnperatūra, °С: | 85 |
| Gabarīti (GxPxA), mm: | 2080x895x1785 |
|---|---|
| Jauda, kWt: | 27,8 |
| El. spriegums, V: | 415 |
| Mazgājamās mašīnas ražīgums kasetes/trauki stundā: | 150/2700 |
| Gabarīti (GxPxA), mm: | 2080x895x1785 |
|---|---|
| Jauda, kWt: | 27,8 |
| El. spriegums, V: | 415 |
| Mazgājamās mašīnas ražīgums kasetes/trauki stundā: | 150/2700 |
| Mazgāšanas temperatūra, °С (ne mazāk): | 55 |
| Skalošanas temnperatūra, °С: | 85 |
| Izmēri (GxPxA), mm:: | 480x345x509(691) |
|---|---|
| El. jauda, kW: | 0,37 |
| El. spriegums, V: | 230 |
| Iekraušanas tvertnes izmēri , mm: | 30x250 |
| Izmēri (GxPxA), mm:: | 480x345x509(691) |
|---|---|
| El. jauda, kW: | 0,37 |
| El. spriegums, V: | 230 |
| Iekraušanas tvertnes izmēri , mm: | 30x250 |
| Svars, kg: | 35 |
| Izcelsmes valsts: | Itālija |
| Izmēri (GxPxA), mm:: | 514x180x353 |
|---|---|
| Tips: | Mehāniskais |
| Iekraušanas tvertnes izmēri , mm: | 30x250 |
| Cilindra garums, mm: | 250 |
| Izmēri (GxPxA), mm:: | 514x180x353 |
|---|---|
| Tips: | Mehāniskais |
| Iekraušanas tvertnes izmēri , mm: | 30x250 |
| Cilindra garums, mm: | 250 |
| Svars, kg: | 7,5 |
| Izcelsmes valsts:: | Itālija |
| Izmēri (GxPxA), mm:: | 400x450x907 |
|---|---|
| Tips: | Mehāniskais |
| Svars, kg: | 25 |
| Izcelsmes valsts: | Itālija |
| Izmēri (GxPxA), mm:: | 400x450x907 |
|---|---|
| Tips: | Mehāniskais |
| Svars, kg: | 25 |
| Izcelsmes valsts: | Itālija |
| Izmēri (GxPxA), mm:: | 170x255x260 |
|---|---|
| Tips: | Mehāniskais |
| Iekraušanas tvertnes izmēri , mm: | 25x175 |
| Svars, kg: | 7 |
| Izmēri (GxPxA), mm:: | 170x255x260 |
|---|---|
| Tips: | Mehāniskais |
| Iekraušanas tvertnes izmēri , mm: | 25x175 |
| Svars, kg: | 7 |
| Izcelsmes valsts:: | Nīderlande |
| Izmēri (GxPxA), mm:: | 170x215x260 |
|---|---|
| Tips: | Mehāniskais |
| Iekraušanas tvertnes izmēri , mm: | 25x125 |
| Svars, kg: | 7 |
| Izmēri (GxPxA), mm:: | 170x215x260 |
|---|---|
| Tips: | Mehāniskais |
| Iekraušanas tvertnes izmēri , mm: | 25x125 |
| Svars, kg: | 7 |
| Izcelsmes valsts:: | Nīderlande |
| Izmēri (GxPxA), mm:: | 365x680x530 |
|---|---|
| El. jauda, kW: | 1,1 |
| El. spriegums, V: | 230/400 |
| Bunkura izmēri, mm: | 300x400 |
| Izmēri (GxPxA), mm:: | 365x680x530 |
|---|---|
| El. jauda, kW: | 1,1 |
| El. spriegums, V: | 230/400 |
| Bunkura izmēri, mm: | 300x400 |
| Bunkura tilpums, litri: | 42 |
| Bunkura tilpums, kg: | 30 |
| Izmēri (GxPxA), mm: | 515x337x465 |
|---|---|
| El. jauda, kW: | 0,37 |
| El. spriegums, V: | 230 |
| Bunkura izmēri, mm: | 270x300 |
| Izmēri (GxPxA), mm: | 515x337x465 |
|---|---|
| El. jauda, kW: | 0,37 |
| El. spriegums, V: | 230 |
| Bunkura izmēri, mm: | 270x300 |
| Bunkura tilpums, litri: | 28 |
| Bunkura tilpums, kg: | 20 |
| Izmēri (GxPxA), mm:: | 255x438x406 |
|---|---|
| El. jauda, kW: | 0,18 |
| El. spriegums, V: | 230 |
| Bunkura izmēri, mm: | 200x250 |
| Izmēri (GxPxA), mm:: | 255x438x406 |
|---|---|
| El. jauda, kW: | 0,18 |
| El. spriegums, V: | 230 |
| Bunkura izmēri, mm: | 200x250 |
| Bunkura tilpums, litri: | 15 |
| Bunkura tilpums, kg: | 10 |
| Izmēri (PxGxA), mm:: | 1160x565x1040 |
|---|---|
| El. jauda, kW: | 1,80 |
| El. spriegums, V: | 230/400 |
| Tvertnes tilpums, kg: | 100 |
| Izmēri (PxGxA), mm:: | 1160x565x1040 |
|---|---|
| El. jauda, kW: | 1,80 |
| El. spriegums, V: | 230/400 |
| Tvertnes tilpums, kg: | 100 |
| Svars, kg: | 110 |
| Izcelsmes valsts: | Itālija |
| Izmēri (GxPxA), mm:: | 980x460x1020 |
|---|---|
| El. jauda, kW: | 1,50 |
| El. spriegums, V: | 230/400 |
| Tvertnes tilpums, kg:: | 75 |
| Izmēri (GxPxA), mm:: | 980x460x1020 |
|---|---|
| El. jauda, kW: | 1,50 |
| El. spriegums, V: | 230/400 |
| Tvertnes tilpums, kg:: | 75 |
| Svars, kg: | 85 |
| Izcelsmes valsts: | Itālija |
| Izmēri (GxPxA), mm:: | 800x565x1040 |
|---|---|
| El. jauda, kW: | 1,80 |
| El. spriegums, V: | 230/400 |
| Tvertnes tilpums, kg: | 50 |
| Izmēri (GxPxA), mm:: | 800x565x1040 |
|---|---|
| El. jauda, kW: | 1,80 |
| El. spriegums, V: | 230/400 |
| Tvertnes tilpums, kg: | 50 |
| Svars, kg: | 100 |
| Izcelsmes valsts: | Itālija |
| Izmēri (GxPxA), mm: | 800x460x1020 |
|---|---|
| El. jauda, kW: | 1,50 |
| El. spriegums, V: | 230/400 |
| Tvertnes tilpums, kg: | 50 |
| Izmēri (GxPxA), mm: | 800x460x1020 |
|---|---|
| El. jauda, kW: | 1,50 |
| El. spriegums, V: | 230/400 |
| Tvertnes tilpums, kg: | 50 |
| Svars, kg: | 80 |
| Izcelsmes valsts: | Itālija |
| Izmēri (GxPxA), mm:: | 720x360x1030 |
|---|---|
| El. jauda, kW: | 0,75 |
| El. spriegums, V: | 230/400 |
| Tvertnes tilpums, kg: | 30 |
| Izmēri (GxPxA), mm:: | 720x360x1030 |
|---|---|
| El. jauda, kW: | 0,75 |
| El. spriegums, V: | 230/400 |
| Tvertnes tilpums, kg: | 30 |
| Svars, kg: | 45 |
| Izcelsmes valsts: | Itālija |
| Izmēri (GxPxA), mm: | 720x360x570 |
|---|---|
| El. jauda, kW: | 0,75 |
| El. spriegums, V: | 230/400 |
| Tvertnes tilpums, kg: | 30 |
| Izmēri (GxPxA), mm: | 720x360x570 |
|---|---|
| El. jauda, kW: | 0,75 |
| El. spriegums, V: | 230/400 |
| Tvertnes tilpums, kg: | 30 |
| Svars, kg: | 40 |
| Izcelsmes valsts: | Itālija |
| Izmēri (GxPxA), mm:: | 310x440x400 |
|---|---|
| Bunkura tilpums, litri: | 30 |
| Tvertnes tilpums, kg: | 20-25 |
| Svars, kg: | 14 |
| Izmēri (GxPxA), mm:: | 310x440x400 |
|---|---|
| Bunkura tilpums, litri: | 30 |
| Tvertnes tilpums, kg: | 20-25 |
| Svars, kg: | 14 |
| Izcelsmes valsts: | Nīderlande |
| Izmēri (GxPxA), mm:: | 240x370x390 |
|---|---|
| Bunkura tilpums, litri: | 20 |
| Tvertnes tilpums, kg: | 13-16 |
| Svars, kg: | 8 |
| Izmēri (GxPxA), mm:: | 240x370x390 |
|---|---|
| Bunkura tilpums, litri: | 20 |
| Tvertnes tilpums, kg: | 13-16 |
| Svars, kg: | 8 |
| Izcelsmes valsts: | Nīderlande |
| Izmēri (GxPxA), mm: | 310x200x300 |
|---|---|
| Bunkura tilpums, litri: | 10 |
| Tvertnes tilpums, kg: | 6,5-7,5 |
| Svars, kg: | 6 |
| Izmēri (GxPxA), mm: | 310x200x300 |
|---|---|
| Bunkura tilpums, litri: | 10 |
| Tvertnes tilpums, kg: | 6,5-7,5 |
| Svars, kg: | 6 |
| Izcelsmes valsts:: | Nīderlande |
| Izmēri (GxPxA), mm:: | 1650x420x1100 |
|---|---|
| El. jauda, kW: | 0,56 |
| El. spriegums, V: | 230 |
| Uzgaļa diametrs, mm: | 10-18-25 |
| Izmēri (GxPxA), mm:: | 1650x420x1100 |
|---|---|
| El. jauda, kW: | 0,56 |
| El. spriegums, V: | 230 |
| Uzgaļa diametrs, mm: | 10-18-25 |
| Cilindra tilpums, litri: | 50 |
| Svars, kg: | 153 |
| Izmēri (GxPxA), mm:: | 1605x360x1100 |
|---|---|
| El. jauda, kW: | 0,56 |
| El. spriegums, V: | 230 |
| Uzgaļa diametrs, mm: | 10-18-25 |
| Izmēri (GxPxA), mm:: | 1605x360x1100 |
|---|---|
| El. jauda, kW: | 0,56 |
| El. spriegums, V: | 230 |
| Uzgaļa diametrs, mm: | 10-18-25 |
| Cilindra tilpums, l: | 30 |
| Svars, kg: | 111 |
| Izmēri (GxPxA), mm:: | 1310x280x1120 |
|---|---|
| El. jauda, kW: | 0,56 |
| El. spriegums, V: | 230 |
| Uzgaļa diametrs, mm: | 10-18-25 |
| Izmēri (GxPxA), mm:: | 1310x280x1120 |
|---|---|
| El. jauda, kW: | 0,56 |
| El. spriegums, V: | 230 |
| Uzgaļa diametrs, mm: | 10-18-25 |
| Cilindra tilpums, l: | 16 |
| Svars, kg: | 71 |
| Izmēri (PxGxA), mm:: | 820x240x250 |
|---|---|
| Tips: | Mehāniskais |
| Uzgaļa diametrs, mm: | 10-18-25 |
| Cilindra tilpums, l: | 16 |
| Izmēri (PxGxA), mm:: | 820x240x250 |
|---|---|
| Tips: | Mehāniskais |
| Uzgaļa diametrs, mm: | 10-18-25 |
| Cilindra tilpums, l: | 16 |
| Svars, kg: | 28 |
| Izcelsmes valsts:: | Itālija |
| Izmēri (GxPxA), mm:: | 685x200x220 |
|---|---|
| Tips: | Mehāniskais |
| Uzgaļa diametrs, mm: | 10-18-25 |
| Cilindra tilpums, l: | 8 |
| Izmēri (GxPxA), mm:: | 685x200x220 |
|---|---|
| Tips: | Mehāniskais |
| Uzgaļa diametrs, mm: | 10-18-25 |
| Cilindra tilpums, l: | 8 |
| Svars, kg: | 23 |
| Izcelsmes valsts: | Itālija |
| Izmēri (GxPxA), mm:: | 330x430x910 |
|---|---|
| El. jauda, kW: | 0,12 |
| El. spriegums, V: | 230 |
| Cilindra tilpums, l: | 25 |
| Izmēri (GxPxA), mm:: | 330x430x910 |
|---|---|
| El. jauda, kW: | 0,12 |
| El. spriegums, V: | 230 |
| Cilindra tilpums, l: | 25 |
| Svars, kg: | 45 |
| Izcelsmes valsts:: | Nīderlande |
| Izmēri (GxPxA), mm:: | 330x430x810 |
|---|---|
| El. jauda, kW: | 0,12 |
| El. spriegums, V: | 230 |
| Cilindra tilpums, l: | 20 |
| Izmēri (GxPxA), mm:: | 330x430x810 |
|---|---|
| El. jauda, kW: | 0,12 |
| El. spriegums, V: | 230 |
| Cilindra tilpums, l: | 20 |
| Svars, kg: | 43 |
| Izcelsmes valsts:: | Nīderlande |
| Izmēri (GxPxA), mm:: | 330x420x750 |
|---|---|
| El. jauda, kW: | 0,4 |
| El. spriegums, V: | 230 |
| Cilindra tilpums, l: | 15 |
| Izmēri (GxPxA), mm:: | 330x420x750 |
|---|---|
| El. jauda, kW: | 0,4 |
| El. spriegums, V: | 230 |
| Cilindra tilpums, l: | 15 |
| Svars, kg: | 29 |
| Izcelsmes valsts:: | Nīderlande |
| Izmēri (PxGxA), mm: | 230x590x240 |
|---|---|
| Tips: | Mehāniskais |
| Tilpums lt: | 5 |
| Cilindra tilpums, mm: | 136 |
| Izmēri (PxGxA), mm: | 230x590x240 |
|---|---|
| Tips: | Mehāniskais |
| Tilpums lt: | 5 |
| Cilindra tilpums, mm: | 136 |
| Svars, kg: | 11 |
| Izcelsmes valsts: | Itālija |
| Izmēri (GxPxA), mm:: | 200x400x220 |
|---|---|
| Tips: | Mehāniskais |
| Tilpums lt: | 3 |
| Cilindra tilpums, mm: | 136 |
| Izmēri (GxPxA), mm:: | 200x400x220 |
|---|---|
| Tips: | Mehāniskais |
| Tilpums lt: | 3 |
| Cilindra tilpums, mm: | 136 |
| Svars, kg: | 11 |
| Izcelsmes valsts: | Itālija |
| Izmēri (GxPxA), mm:: | 350x480x900 |
|---|---|
| Tips: | Mehāniska |
| Tilpums lt: | 14 |
| Cilindra tilpums, mm: | 198 |
| Izmēri (GxPxA), mm:: | 350x480x900 |
|---|---|
| Tips: | Mehāniska |
| Tilpums lt: | 14 |
| Cilindra tilpums, mm: | 198 |
| Svars, kg: | 27 |
| Izcelsmes valsts: | Itālija |
| Izmēri (PxGxA), mm: | 300x460x740 |
|---|---|
| Tips: | Mehāniskais |
| Tilpums lt: | 7 |
| Cilindra tilpums, mm: | 156 |
| Izmēri (PxGxA), mm: | 300x460x740 |
|---|---|
| Tips: | Mehāniskais |
| Tilpums lt: | 7 |
| Cilindra tilpums, mm: | 156 |
| Svars, kg: | 20 |
| Izcelsmes valsts: | Itālija |
| Izmēri (GxPxA), mm: | 617×950×904 |
|---|---|
| El. jauda, kW: | 2,0 |
| Spriegums: | 220V/50Hz |
| Produktu ielāde, kg: | 18-22,7 |
| Izmēri (GxPxA), mm: | 617×950×904 |
|---|---|
| El. jauda, kW: | 2,0 |
| Spriegums: | 220V/50Hz |
| Produktu ielāde, kg: | 18-22,7 |
| Plauktu skaits, gb: | 7 |
| Paplātes izmērs, mm: | 277 × 749 |
| Izmēri (GxPxA), mm: | 541×698×795 |
|---|---|
| El. jauda, kW: | 1,5 |
| Spriegums: | 220V/50Hz |
| Produktu ielāde, kg: | 8-12,2 |
| Izmēri (GxPxA), mm: | 541×698×795 |
|---|---|
| El. jauda, kW: | 1,5 |
| Spriegums: | 220V/50Hz |
| Produktu ielāde, kg: | 8-12,2 |
| Plauktu skaits, gb: | 6 |
| Paplātes izmērs, mm: | 229 × 521 |
| Izmēri (GxPxA), mm: | 541×698×795 |
|---|---|
| El. jauda, kW: | 1,5 |
| Spriegums: | 220V/50Hz |
| Produktu ielāde, kg: | 8–12.2 |
| Izmēri (GxPxA), mm: | 541×698×795 |
|---|---|
| El. jauda, kW: | 1,5 |
| Spriegums: | 220V/50Hz |
| Produktu ielāde, kg: | 8–12.2 |
| Plauktu skaits, gb: | 6 |
| Paplātes izmērs, mm: | 229 × 521 |
| Izmēri (GxPxA), mm: | 483×635×737 |
|---|---|
| El. jauda, kW: | 1,2 |
| Spriegums: | 220 V/ 50 Hz |
| Produktu daudzums vienā ciklā, kg: | 4,5–6,8 |
| Izmēri (GxPxA), mm: | 483×635×737 |
|---|---|
| El. jauda, kW: | 1,2 |
| Spriegums: | 220 V/ 50 Hz |
| Produktu daudzums vienā ciklā, kg: | 4,5–6,8 |
| Plauktu skaits, gb: | 5 |
| Paplātes izmērs, mm: | 190×457 |
| Izmēri (GxPxA), mm: | 483×635×737 |
|---|---|
| El. jauda, kW: | 1,2 |
| Spriegums: | 220 V/ 50 Hz |
| Produktu daudzums vienā ciklā, kg: | 4,5 - 6,8 |
| Izmēri (GxPxA), mm: | 483×635×737 |
|---|---|
| El. jauda, kW: | 1,2 |
| Spriegums: | 220 V/ 50 Hz |
| Produktu daudzums vienā ciklā, kg: | 4,5 - 6,8 |
| Paplāšu skaits gab.: | 5 |
| Paplātes izmērs, mm: | 190×457 |
| Izmēri (GxPxA), mm: | 483×635×737 |
|---|---|
| El. jauda, kW: | ~1.1 kW |
| Spriegums: | 220 V/ 50 Hz |
| Produktu ielāde, kg: | 2.7–4.5 |
| Izmēri (GxPxA), mm: | 483×635×737 |
|---|---|
| El. jauda, kW: | ~1.1 kW |
| Spriegums: | 220 V/ 50 Hz |
| Produktu ielāde, kg: | 2.7–4.5 |
| Paplāšu skaits gab.: | 4 |
| Paplātes izmērs, mm: | 197×356 |
| Izmēri (GxPxA), mm: | 483×635×737 |
|---|---|
| El. jauda, kW: | ~1.1 kW |
| Spriegums: | 220 V/ 50 Hz |
| Produktu ielāde, kg: | 2.7–4.5 |
| Izmēri (GxPxA), mm: | 483×635×737 |
|---|---|
| El. jauda, kW: | ~1.1 kW |
| Spriegums: | 220 V/ 50 Hz |
| Produktu ielāde, kg: | 2.7–4.5 |
| Paplāšu skaits gab.: | 4 |
| Paplātes izmērs, mm: | 197×356 |
| Gabarīti (G), mm: | 1800 - 4250 |
|---|---|
| Izcelsmes valsts: | EU |
| Gabarīti (G), mm: | 1800 - 4250 |
|---|---|
| Izcelsmes valsts: | EU |
| Gabarīti (G), mm: | 1800 - 4250 |
|---|---|
| Izcelsmes valsts: | EU |
| Gabarīti (G), mm: | 1800 - 4250 |
|---|---|
| Izcelsmes valsts: | EU |
| Gabarīti (G), mm: | 1950 - 4850 |
|---|---|
| Izcelsmes valsts: | EU |
| Gabarīti (G), mm: | 1950 - 4850 |
|---|---|
| Izcelsmes valsts: | EU |
| Gabarīti (G), mm: | 2200 - 4850 |
|---|---|
| Izcelsmes valsts: | EU |
| Gabarīti (G), mm: | 2200 - 4850 |
|---|---|
| Izcelsmes valsts: | EU |
| Gabarīti (G), mm: | 2200 - 4850 |
|---|---|
| Izcelsmes valsts: | EU |
| Gabarīti (G), mm: | 2200 - 4850 |
|---|---|
| Izcelsmes valsts: | EU |
| Gabarīti (G), mm: | 1600 |
|---|---|
| Izcelsmes valsts: | EU |
| Gabarīti (G), mm: | 1600 |
|---|---|
| Izcelsmes valsts: | EU |
| Gabarīti (G), mm: | 1500 - 3000 |
|---|---|
| Izcelsmes valsts: | EU |
| Gabarīti (G), mm: | 1500 - 3000 |
|---|---|
| Izcelsmes valsts: | EU |
| Gabarīti (GxPxA), mm: | 1035-2980x1090x1250 |
|---|---|
| El. spriegums, V: | 230/50 Hz |
| Temperatūras režīms, °С: | 2...8 |
| Izmantojamais tilpums, l: | 414-1167 |
| Gabarīti (GxPxA), mm: | 1035-2980x1090x1250 |
|---|---|
| El. spriegums, V: | 230/50 Hz |
| Temperatūras režīms, °С: | 2...8 |
| Izmantojamais tilpums, l: | 414-1167 |
| Ražotājvalsts: | Polija |
| Gabarīti (GxPxA), mm: | 1235-2600x655x2020 |
|---|---|
| El. jauda, kW: | 1,22-2,73 |
| El. spriegums, V: | 230 |
| Temperatūras režims, °С: | 4...10 |
| Gabarīti (GxPxA), mm: | 1235-2600x655x2020 |
|---|---|
| El. jauda, kW: | 1,22-2,73 |
| El. spriegums, V: | 230 |
| Temperatūras režims, °С: | 4...10 |
| Ekspozīcijas laukums: | 1,75-3,9 |
| Svars, kg: | 171-299 |
| Izmēri (GxPxA), mm: | 1550-2270x900x2160 |
|---|---|
| El. jauda, kW: | 1,1-1,7 |
| El. spriegums, V: | 230 |
| Temperatūras režims, °С: | 2...8 |
| Izmēri (GxPxA), mm: | 1550-2270x900x2160 |
|---|---|
| El. jauda, kW: | 1,1-1,7 |
| El. spriegums, V: | 230 |
| Temperatūras režims, °С: | 2...8 |
| Ekspozīcijas laukums: | 3,8-5,7 |
| Ražotājvalsts: | Polija |
| Izmēri (GxPxA), mm: | 1550-2990x900x2160 |
|---|---|
| El. jauda, kW: | 1,55-2,9 |
| El. spriegums, V: | 230 |
| Temperatūras režims, °С: | 2...8 |
| Izmēri (GxPxA), mm: | 1550-2990x900x2160 |
|---|---|
| El. jauda, kW: | 1,55-2,9 |
| El. spriegums, V: | 230 |
| Temperatūras režims, °С: | 2...8 |
| Ekspozīcijas laukums: | 4,6-9,0 |
| Ražotājvalsts: | Polija |
| Izmēri (GxPxA), mm: | 830x735x2000 |
|---|---|
| Aukst. jauda, kW: | 0,49 |
| Nominālais spriegums, V: | 230/50 Hz |
| Temperatūras režīms, °С: | 2...8 |
| Izmēri (GxPxA), mm: | 830x735x2000 |
|---|---|
| Aukst. jauda, kW: | 0,49 |
| Nominālais spriegums, V: | 230/50 Hz |
| Temperatūras režīms, °С: | 2...8 |
| Tilpums, l: | 700 |
| Izmantojamā platība, m²: | 2,15 |
| Izmēri (GxPxA), mm: | 830x795x2000 |
|---|---|
| Aukst. jauda, kW: | 0,49 |
| Nominālais spriegums, V: | 230/50 Hz |
| Temperatūras režīms, °С: | 2...8 |
| Izmēri (GxPxA), mm: | 830x795x2000 |
|---|---|
| Aukst. jauda, kW: | 0,49 |
| Nominālais spriegums, V: | 230/50 Hz |
| Temperatūras režīms, °С: | 2...8 |
| Tilpums, l: | 700 |
| Izmantojamā platība, m²: | 2,15 |
| Izmēri (GxPxA), mm: | 1620x735x2000 |
|---|---|
| Aukst. jauda, kW: | 0,76 |
| Nominālais spriegums, V: | 230/50 Hz |
| Temperatūras režīms, °С: | 2...8 |
| Izmēri (GxPxA), mm: | 1620x735x2000 |
|---|---|
| Aukst. jauda, kW: | 0,76 |
| Nominālais spriegums, V: | 230/50 Hz |
| Temperatūras režīms, °С: | 2...8 |
| Tilpums, l: | 1400 |
| Izmantojamā platība, m²: | 4,30 |
| Izmēri (GxPxA), mm: | 1620x795x2000 |
|---|---|
| Aukst. jauda, kW: | 0,76 |
| Nominālais spriegums, V: | 230/50 Hz |
| Temperatūras režīms, °С: | 2...8 |
| Izmēri (GxPxA), mm: | 1620x795x2000 |
|---|---|
| Aukst. jauda, kW: | 0,76 |
| Nominālais spriegums, V: | 230/50 Hz |
| Temperatūras režīms, °С: | 2...8 |
| Tilpums, l: | 1400 |
| Izmantojamā platība, m²: | 4,30 |
| Gabarīti (GxPxA), mm: | 830x725x2000 |
|---|---|
| Aukst. jauda, kW: | 0,49 |
| Nominālais spriegums, V: | 230/50 Hz |
| Temperatūras režīms, °С: | -1...8 |
| Gabarīti (GxPxA), mm: | 830x725x2000 |
|---|---|
| Aukst. jauda, kW: | 0,49 |
| Nominālais spriegums, V: | 230/50 Hz |
| Temperatūras režīms, °С: | -1...8 |
| Tilpums, l: | 700 |
| Izmantojamā platība, m²: | 2,15 |
| Gabarīti(GxPxA), mm: | 830x795x2000 |
|---|---|
| Aukst. jauda, kW: | 0,49 |
| Nominālais spriegums, V: | 230/50 Hz |
| Temperatūras režīms, °С: | -1...8 |
| Gabarīti(GxPxA), mm: | 830x795x2000 |
|---|---|
| Aukst. jauda, kW: | 0,49 |
| Nominālais spriegums, V: | 230/50 Hz |
| Temperatūras režīms, °С: | -1...8 |
| Tilpums, l: | 700 |
| Izmantojamā platība, m²: | 2,15 |
| Gabarīti (GxPxA), mm: | 800х900х900 |
|---|---|
| Jauda, kW: | 20,3 |
| Spriegums, V: | 400 |
| Sildvirsmu jauda, kW: | 3,5 |
| Gabarīti (GxPxA), mm: | 800х900х900 |
|---|---|
| Jauda, kW: | 20,3 |
| Spriegums, V: | 400 |
| Sildvirsmu jauda, kW: | 3,5 |
| Sildvirsmu skaits, gb.: | 4 |
| Cepeškrāsns jauda, kW: | 6,3 |
| Gabarīti (GxPxA), mm: | 860х820х1079 |
|---|---|
| Jauda, kW: | 16,3 |
| Spriegums, V: | 400 |
| Sildvirsmu jauda, kW: | 2,5 |
| Gabarīti (GxPxA), mm: | 860х820х1079 |
|---|---|
| Jauda, kW: | 16,3 |
| Spriegums, V: | 400 |
| Sildvirsmu jauda, kW: | 2,5 |
| Sildvirsmu skaits, gb.: | 4 |
| Cepeškrāsns jauda, kW: | 6,3 |
| Gabarīti (GxPxA), mm: | 800х800х850 |
|---|---|
| Jauda, kW: | 22,5 |
| Spriegums, V: | 400 |
| Sildelementa jauda, kW: | 4,0 |
| Gabarīti (GxPxA), mm: | 800х800х850 |
|---|---|
| Jauda, kW: | 22,5 |
| Spriegums, V: | 400 |
| Sildelementa jauda, kW: | 4,0 |
| Sildvirsmu skaits, gb.: | 4 |
| Cepeškrāsns iekšējie izmēri (GxPxA), mm: | 695x550x310 |
| Gabarīti (GxPxA), mm: | 800х800х850 |
|---|---|
| Jauda, kW: | 19,5 |
| Spriegums, V: | 400 |
| Sildelementa jauda, kW: | 4,0 |
| Gabarīti (GxPxA), mm: | 800х800х850 |
|---|---|
| Jauda, kW: | 19,5 |
| Spriegums, V: | 400 |
| Sildelementa jauda, kW: | 4,0 |
| Sildvirsmu skaits, gb.: | 4 |
| Cepeškrāsns iekšējie izmēri (GxPxA), mm: | 575x450x290 |
| Izmēri (GxPxA), mm: | 800х800х850 |
|---|---|
| Kopējā el. jauda, kW: | 16,0 |
| Spriegums, V: | 380 |
| Degļu skaits: | 4 |
| Izmēri (GxPxA), mm: | 800х800х850 |
|---|---|
| Kopējā el. jauda, kW: | 16,0 |
| Spriegums, V: | 380 |
| Degļu skaits: | 4 |
| Vienas zonas jauda, kV: | 4,0 |
| Temperatūras režīms, °C: | 60 - 280 |
| Izmēri (GxPxA), mm: | 370х220х440 |
|---|---|
| El. jauda, kW: | 0,75 |
| El. spriegums, V: | 220 / 380 |
| Frekvence, Hz: | 50 |
| Izmēri (GxPxA), mm: | 370х220х440 |
|---|---|
| El. jauda, kW: | 0,75 |
| El. spriegums, V: | 220 / 380 |
| Frekvence, Hz: | 50 |
| Ātrums, apgr./min: | 1400 |
| Veiktspēja, kg/st: | 200 |

